您当前的位置:首页 / 产品展示 / 磁粉制动器、离合器系列 / GXFZ-A系列单轴磁粉制动器
产品展示
产品详情

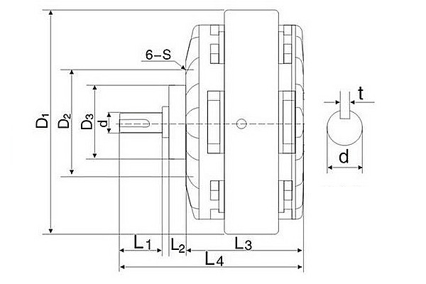
| 型号 | 主要技术参数 | 外形尺寸 | 轴部 | R | 重量 | |||||||||||||
| 转矩 | 滑功 | 电压 | 转速 | 电流A | D1 | D2 | D3 | L1 | L2 | L3 | L4 | 6-S | d | t | 径 | 深 | kg | |
| GXFZ-A-6 | 6 | 70 | 24 | 1000 | 0.8 | 130 | 62 | 44 | 25 | 10 | 68 | 108 | M5 | 12 | 4 | M4 | 8 | 3.5 |
| GXFZ-A-12 | 12 | 120 | 24 | 1000 | 1 | 157 | 62 | 50 | 30 | 15 | 84 | 133 | M5 | 16 | 5 | M4 | 8 | 6 |
| GXFZ-A-25 | 25 | 150 | 24 | 1000 | 1.5 | 182 | 78 | 58 | 40 | 19 | 92 | 154 | M6 | 20 | 6 | M5 | 10 | 9 |
| GXFZ-A-50 | 50 | 200 | 24 | 1000 | 1.8 | 219 | 100 | 75 | 50 | 22 | 110 | 185 | M6 | 25 | 8 | M6 | 12 | 15 |
| GXFZ-A-100 | 100 | 300 | 24 | 800 | 2 | 290 | 120 | 90 | 65 | 25 | 143 | 238 | M8 | 30 | 8 | M10 | 20 | 32 |
| GXFZ-A-200 | 200 | 500 | 24 | 800 | 3 | 335 | 140 | 110 | 70 | 30 | 167 | 272 | M10 | 35 | 10 | M10 | 20 | 54 |
| GXFZ-A-400 | 400 | 1000 | 24 | 800 | 4 | 398 | 200 | 130 | 99 | 35 | 197 | 336 | M12 | 45 | 14 | M10 | 20 | 86 |
【产品简介】
磁粉制动器是一种性能you越的自动控制元件,是由传动单元和从动单元合并而成。它以磁粉为工作介质,
以激磁电流为控制手段达到控制制动或传递转矩的目的。其输出转矩与激磁电流呈良好的线性关系,并具有
响应速度快、结构简单等优点,因而适用于电线、电缆、印刷、包装、纺织、橡胶皮革、金属箔带加工、造
纸及纸品加工等有关卷取装置的张力自动控制系统中。
【工作原理】
磁粉制动器主要有制动架,制动件和操纵装置组成.有些制动器还装有制动件间隙的自动调整装置, 为了
减少制动力矩和结构尺寸,制动器通常装在设备的高速轴上,运用刹车、闸来对机械运动件和机械零配件的停
止和减速,
【产品特性】
采用耐热性能you越的超合金磁粉,温升低、输出转矩恒定、响应速度快,可高频率工作。※使用耐高温
之线圈及轴承,运转平稳,在启动、运行、制动状态下,无振动、无冲击、无噪音。※具有过载保护,
在转矩超载情况下,自动滑差动行起到过载保护作用。※体积小、自重轻、安装简便、使用寿命长。
上一条:GXFZ-B系列空心轴磁粉制动器
下一条:GXFL-B系列空心轴磁粉离合器
相关信息